Description
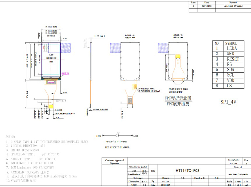
This 1.14"TFT is a IPS Mini color TFT LCD display module is made of resolution 135(H)RGB x 240(V) pixels,with outline dimension of 17.6(H) x 31.0(V) x1.6 (D) mm and AA size 14.864(H) x 24.912(V) mm.this 1.14" TFT display builts in ST7789V Driver IC and supports 4-wires SPI interface,with full viewing angle and wide range of operating Temperature,it is ideal to be used in industrial device,any embedded systems,medical equipment,wearable devices,security and hand-held devices which requests TFT display with high quality and colorful images.
Dimensions

Pin Definitions

Name: Alex Chiang
Mobile:021-62350894
Tel:021-62350894
Email:Alex@jekedisplay.com
Add:PuDongXinQu district, ShangHai,China